cm426 Carter AFB Carburetor Manual Ebook - check email for download link
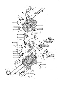
Detailed service information with operating principles, service instructions and diagrams.
Carter AFB Carburetor Manual 1963-64 Studebaker
Ebook carburetor service manual - 35 pages, 14 MBytes download size, pdf format.
Detailed service information with operating principles, service instructions and diagrams.
Carter AFB Carburetor Manual 1963-64 Studebaker
Ebook carburetor service manual - 35 pages, 14 MBytes download size, pdf format.
