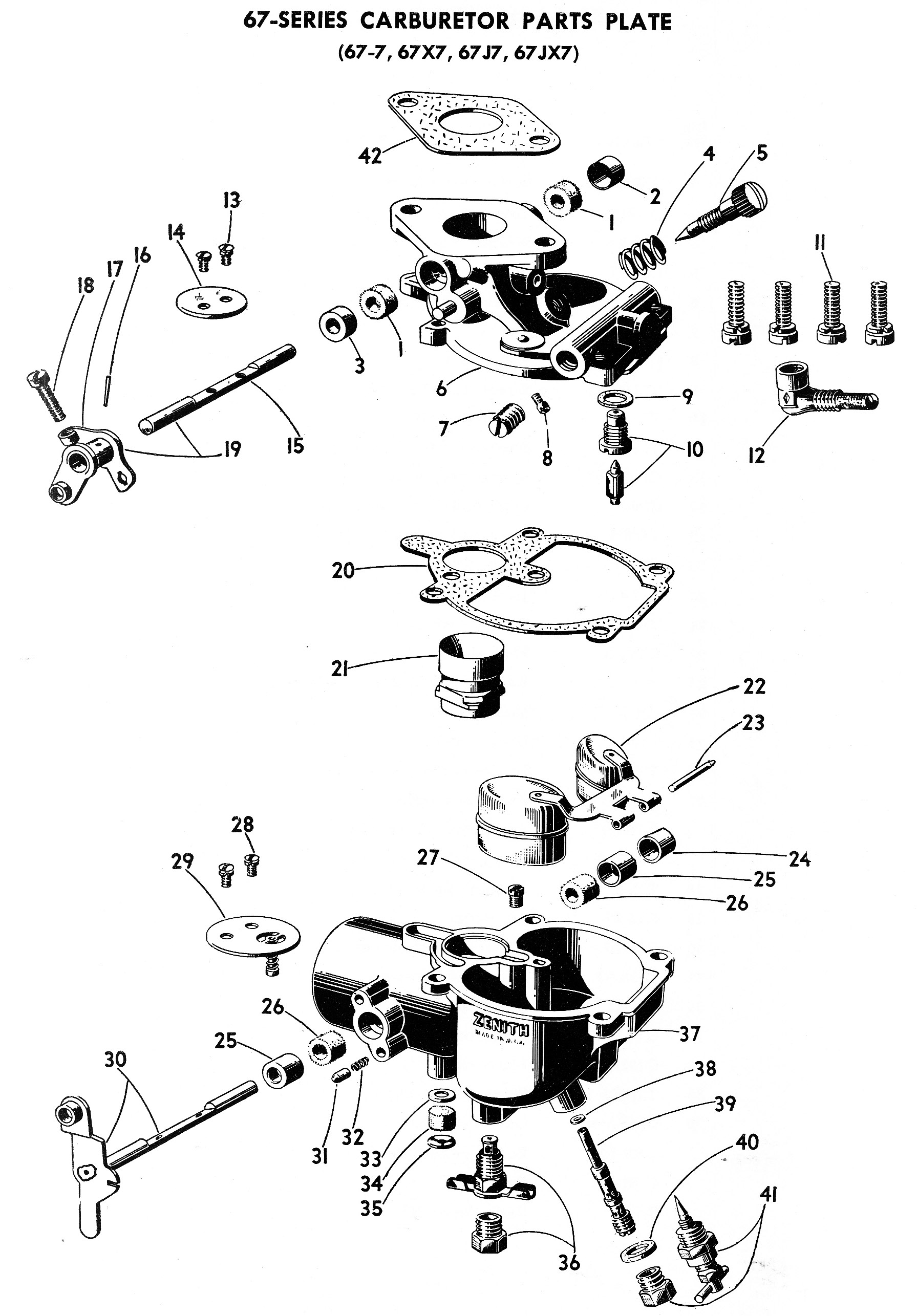
- Zenith Assembly Number: 11339
- Model: 67X7
- Vehicle/Machine Manufacturer: I.H.C.
- Manufacturer's Part Number: 357156R91
- Service carburetor: 12522
- Service carburetor may not be currently available. For reference only.
Kits and Parts
Additional parts may be available. Please email or call us.





