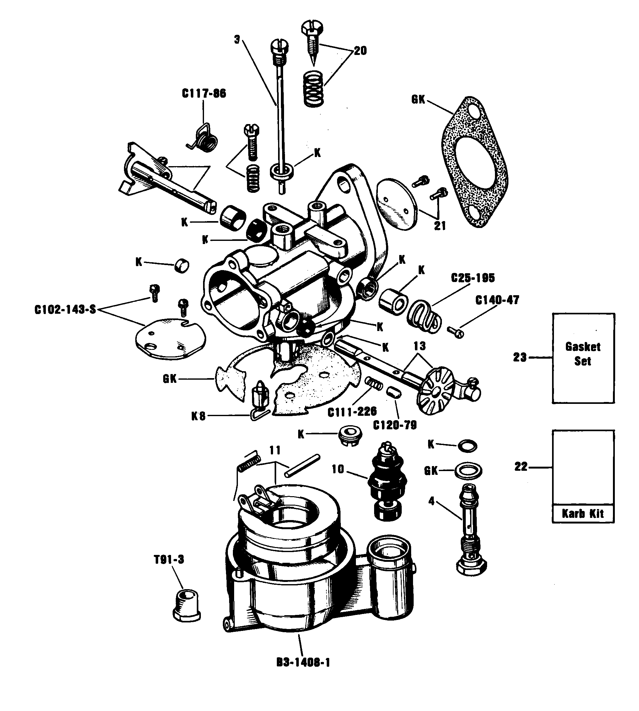
- Zenith Assembly Number: 13581
- Model: 16Y10
- Vehicle/Machine Manufacturer: Service carburetor
- Service carburetor: 14544
- Service carburetor may not be currently available. For reference only.
Kits and Parts
Additional parts may be available. Please email or call us.



